Автоматический лесопильный комплекс StrojCAD D9 LH6 Standart
Предложение не является публичной офертой
- Описание
- Характеристики
- Отзывы
Автоматический лесопильный комплекс StojCAD D9 LH6 Standart
Стандартная комплектация:
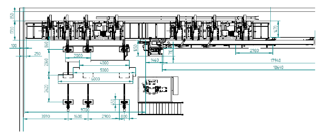
Приводная модульная пильная каретка

С гидрозажимами, гидрокантователями и устройствами горизонтального позиционирования бревна.
Пульт управления с сенсорной панелью 15" Siemens

Система удалённого доступа и контроля

С программным, и визуальным (ip-камеры) доступом.
Стационарный пильный узел для двухстороннего распила
С лазерными указателями «зелёного» спектра для вертикальных пил и «красного» спектра для горизонтальных пил.
Система автоматического позиционирования бревна
Для первого реза после загрузки бревна, а также последующих резов после кантования.
Исполнение станка для подачи брёвен независимо от ориентации комля
Дополнительная комплектация:
Поперечный цепной загрузочный конвейер с устройством поштучной выдачи бревна
Линии полуавтоматической сортировки пиломатериалов с односторонним, либо двухсторонним сбрасыванием в составе
Система управления с гидроприводом.
Пульт и шкаф управления, ультразвуковые сенсорные датчики управления сбросом.
Ленточные сортировочные конвейеры для рассортировки продукции.
Линии автоматической сортировки пиломатериалов
В комплект любой линии входит Система автоматического измерения и управления сортировкой продукции с оптическими и ультразвуковыми сенсорами, позволяющая отсортировывать не только отходы, но и пиломатериал с обзолом (размер зоны брака задаётся оператором исходя из спецификации).
Сортировка на 3 – 8 карманов с односторонним, либо двухсторонним сбрасыванием в составе
Ленточный конвейер для отсортировки горбыля и отходов.
Ленточные сортировочные конвейеры, для автоматической односторонней рассортировки продукции.
Сортировка на 5 – 11 карманов с комбинированным двухсторонним снятием посредством цепных съёмников в составе
Ленточный конвейер для отсортировки горбыля и отходов.
Роликовые сортировочные конвейеры для автоматической двухсторонней рассортировки продукции. В комплект каждого входят два поперечных цепных конвейера, производящих снятие доски с сортировочного конвейера и его подачу в накопительный карман, либо на устройства транспортировки.
Исполнение станка для получения пиломатериала максимальной шириной 350 мм
"Зимний пакет"
Автоматическая система подогрева гидравлических и электронных компонентов при низких температурах.
Размеры:

Конструктивные особенности:
Индивидуальный сервопривод перемещения модулей;
Независимый гидрозажим бревна;
Цепной гидрокантователь, конструкция которого позволяет производить эффективное вращение брёвен любого диаметра;
Устройства горизонтального позиционирования бревна относительно пильного узла, с сервоприводами.
Назначение:
Станок предназначен для производства обрезных пиломатериалов радиального распила и бруса из древесины хвойных и лиственных пород. Обработка осуществляется методом продольной распиловки с использованием двух дисковых пил, расположенных под углом 90° относительно друг друга.
Оборудование применяется на крупных и средних деревообрабатывающих предприятиях для изготовления пиломатериалов экспортного качества, включая продукцию радиального распила.